КАТАЛОГ ПРОДУКЦИИ

Фотореле ФР-М01-1-15 ACDC24/AC230В УХЛ4

Фотореле ФР-М01-1-15 ACDC24/AC230В УХЛ4
Фотореле ФР-М01-1-15 ACDC24/AC230В УХЛ4
Фотореле ФР-М01-1-15 ACDC24/AC230В УХЛ4
Фотореле ФР-М01-1-15 ACDC24/AC230В УХЛ4
Фотореле ФР-М01-1-15 ACDC24/AC230В УХЛ4

Фотореле ФР-М01-1-15 ACDC24/AC230В УХЛ4 предназначено для автоматического включения и отключения искусственного освещения улиц, витрин магазинов, торговых залов, реклам, автостоянок и других объектов, в зависимости от установленного порога уровня естественной освещённости. Контроль уровня освещённости осуществляется выносным фотодатчиком ФД-3-1, поставляемым в комплекте. Кроме регулировки освещённости, дополнительная регулировка по времени срабатывания позволяет избежать ложных срабатываний. Например, при освещении светом фар проходящих автомобилей в ночное время.

Далее…   

1 007 руб

Артикул 4640016935741
Бренд Меандр (MEA)
Паспорт/Руководство (PDF) Загрузить

Описание

Реле выпускаются в унифицированном пластмассовом корпусе с передним присоединением проводников питания и коммутируемых электрических цепей. Крепление осуществляется на монтажную рейку-DIN шириной 35 мм (ГОСТ Р МЭК 60715-2003) или на ровную поверхность. Для установки реле на ровную поверхность, фиксаторы замков необходимо переставить в крайние отверстия. Конструкция клемм обеспечивает надёжный зажим проводов сечением до 2,5 мм2. На передней лицевой панели прибора расположены:

- поворотный регулятор задержки времени срабатывания реле «t»;

- поворотный регулятор уровня освещённости, при котором будет происходить срабатывание реле;

- зелёный индикатор включения напряжения питания «U» реле;

- жёлтый индикатор срабатывания встроенного исполнительного реле «R».

При монтаже фотодатчика необходимо исключить попадание света от коммутируемого источника света на фотодатчик и возможность загрязнения окна фотоприёмника.

  ВНИМАНИЕ: Запрещается производить какие-либо работы с фотореле, находящимся под напряжением!

  Функциональные возможности реле:

·        Автоматическое включение и отключение освещения.

·        Два диапазона уровня освещённости 0,5-30лк и 3-300лк (изменяется установкой перемычки).

·        Выносной фотодатчик с защитным корпусом для монтажа на стену.

·        Настраиваемая задержка срабатывания выходного реле от 0,1с до 10 мин.

·        Индикация режима работы реле.

·        Корпус шириной 18мм с монтажом на din-рейку.

·        Лучшее соотношение цена/качество.

 

 С помощью поворотного переключателя уровня освещённости устанавливается требуемый порог срабатывания. При снижении освещённости, ниже установленного значения, реле включает цепь осветительных приборов, при повышении освещённости, выше установленного значения, - выключает. Реле имеет два регулируемых диапазона освещённости 0,5 - 30лк и 3-300лк. Для выбора диапазона освещённости 3 - 300лк необходимо установить перемычку между клеммами «Y1» и «Т2». При выборе диапазона уровня освещённости 0,5-30лк клемма «Y1» не задействуется. Порог срабатывания 15 или 150лк располагается в средней части диапазона регулировки освещённости. Поворачивая регулятор порога уровня освещённости по часовой стрелке в сторону увеличения, включение освещения будет происходить в более светлое время суток. Поворачивая регулятор порога уровня освещённости против часовой стрелки в сторону уменьшения освещённости, включение освещения будет происходить в более тёмное время суток. Срабатывание исполнительного реле при установленной освещённости контролируется по включению индикатора «R».

Задержка времени включения реле устраняет влияние кратковременных колебаний освещённости. Для установки задержки 0, 30с, 1мин, 3мин, 10мин указатель регулятора времени срабатывания «t», должен быть установлен на середину соответствующего сектора. При нулевой задержке указатель устанавливается в положение «0» (крайнее левое положение), а при задержке 10 мин - в положение 10мин (крайнее правое положение).

Временная диаграмма работы реле приведена на ниже приведённом рисунке.

 

 Подготовка к эксплуатации:

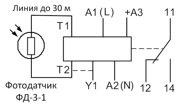
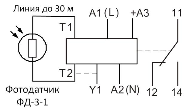
1.      Подключить фотодатчик и реле согласно схеме подключения.

ВНИМАНИЕ: Фазный провод должен быть подключён к клемме «А1» (L), нулевой провод - к клемме «А2» (N).


2. Установить указатель регулятора освещённости в крайнее положение, вращая его против часовой стрелки, а указатель регулятора задержки времени срабатывания «t» в положение «0».
3. Выбрать время суток, когда необходимо включить коммутируемый источник света (то есть физически, при необходимом уровне естественной освещенности). Подать напряжение питания на реле, при этом должен включиться зелёный индикатор «U».
4. Медленно поворачивать регулятор уровня освещённости по часовой стрелке до момента включения жёлтого индикатора «R», при этом будут замкнуты контакты реле 11-14 и включены осветительные приборы.


 Датчик ФД-3-1: Спектральный пик при длине волны - 590нм, сопротивление (освещённость 10лк) - 50...140кОм, темновое сопротивление - 20МОм, время отклика - 20мс, время восстановления - 30мс, диапазон рабочих температур  (-40…+600С), степень защиты - IP65, Код для отдельного заказа фотодатчика – 4640016936441, наименование изделия (фотодатчик ФД-3-1)
 

 ВНИМАНИЕ:  Максимальная длина провода для подключения фотодатчика до 30м с применением кабеля в двойной изоляции.

Более подробно о режимах эксплуатации, настройке и подключении данного фотореле можно ознакомиться в паспорте на данное изделие и приведённой ниже таблице.

 

ТЕХНИЧЕСКИЕ ХАРАКТЕРИСТИКИ ФОТОРЕЛЕ ФР-М01-1-15

Параметр

Ед.изм.

ФР-М01-1-15

Напряжение питание

В

АСDC24/АC220 ± 10%

Потребляемая мощность,не более

ВА

2

Уровень освещённости - регулируемый порог включения (два диапазона)

лк

0,5-30/3-300

Длительность задержки на включение

 

0с, 30с, 1мин, 3мин, 10мин

Максимальное коммутируемое напряжение

В

400 (AC1/5А)

Максимальный коммутируемый ток: АС250В 50Гц (АС1)/DC30В (DC1)

А

16

Максимальная коммутируемая мощность: АС250В 50Гц (АС1)/DC30В (DC1)

ВА/Вт

4000/480

Максимальное напряжение между цепями питания и контактами реле

В

AC2000 (50Гц - 1мин)

Механическая износостойкость, не менее

циклов

10х106

Электрическая износостойкость, не менее

циклов

100000

Количество и тип контактов

 

1 переключающая группа

Степень защиты реле (по корпусу/по клеммам/по датчику)

 

IP40/IP20/IP65

Диапазон рабочих температур

0C

-25...+55 (УХЛ4)

-40…+55 (УХЛ2)

Температура хранения

0C

-40...+70

Помехоустойчивость от пачек импульсов в соответствии с ГОСТ Р 51317.4.4-99 (IEC/EN 61000-4-4)

 

уровень 3 (2кВ/5кГц)

Помехоустойчивость от перенапряжения в соответствии с ГОСТ Р 51317.4.5-99 (IEC/EN 61000-4-5)

 

уровень 3 (2кВ А1-А2)

Климатическое исполнение и категория размещения по ГОСТ 15150-69

 

УХЛ4 или УХЛ2

Степень загрязнения в соответствии с ГОСТ 9920-89

 

2

Относительная влажность воздуха

%

до 80 (при 250C)

Высота над уровнем моря

м

до 2000

Рабочее положение в пространстве

 

произвольное

Режим работы

 

круглосуточный

Габаритные размеры

мм

18х93х62

Масса

кг

0,1

Тип выносного фотодатчика (при заказе на поставку отдельно)

 

ФД-3-1

Рабочая температура фотодатчика

0C

-40...+60

Длина провода к внешнему фотодатчику

м

до 30

Сечение подключаемого провода

мм2

0,75

 

Гарантийный срок эксплуатации изделия 24 месяца с момента приобретения изделия.

Возвратиться к обзору фотореле

Рейтинг@Mail.ru Яндекс.Метрика